HOME
产品
文章
搜索
名称
描述
内容
在线商城
产品列表
低压伺服电机
JTS40系列
JTS60系列
JTS80系列
JTS130系列
空心杯直流电机
无刷直流电机
有刷直流电机
外科手术工具电机
涡轮盘步进电机
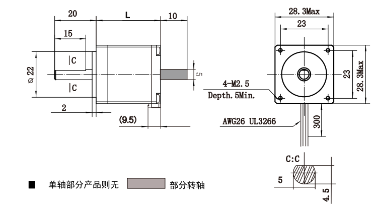
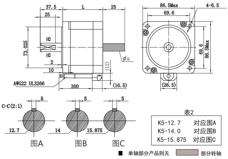
永磁步进电机
直线步进电机
齿轮箱
编码器
高性能直流电机
无刷直流电机
有刷直流电机
水泵电机
齿轮箱
编码器
超小型伺服驱动器
Platinum系列
Gold系列
SimpIIQ系列
多轴控制器
行业应用
轨道交通
站台屏蔽门
通道闸机
轨道交通车门
旋转座椅
伸缩踏板
太阳能
光伏丝网印刷机
贴片机
生物医疗
骨科手术工具
牙科工具
心脏泵
泛血管仪器
实验室仪器
医用泵
半导体
OHT
晶圆搬运臂
机器人(医疗)
腹腔镜手术机器人
血管介入机器人
穿刺机器人
康复机器人
机器人(非医疗)
协作机器人
巡检机器人
管道机器人
消杀机器人
AGV
RGV
公司介绍
联系我们
下载中心
新闻咨询
网站首页
/
产品中心
/
步进电动机组合
步进电机及适配驱动器